Açıklama
|
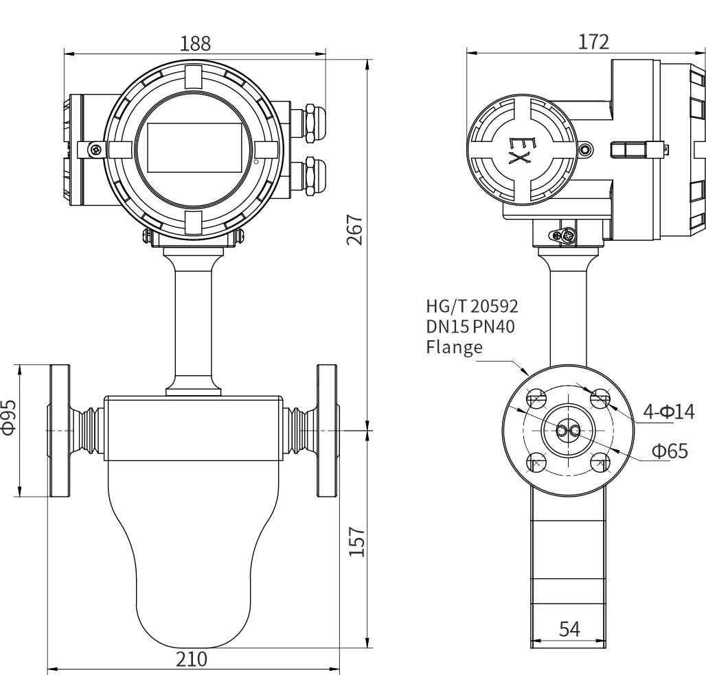
MODEL |
CMASS008 |
|
|
Nominal diameter |
inch 1/4″ mm DN08 |
|
|
Medium temp. |
-200°C~+150°C |
|
|
Max.W.P |
< 4MPa |
|
|
Max. flow-rate |
Lb/min 440 | |
| kg/min 20 |
Core Product Advantages
• Cryogenic Expertise: Optimized for cryogenic media such as LNG, liquid nitrogen, and liquid
oxygen, with materials and processes tailored for low-temperature environments.
• Direct Mass Measurement:No temperature or pressure compensation required; outputs
multiple parameters including mass flow, density, and temperature.
• Robust Structure with No Moving Parts:U-shaped tube design ensures no wear, maintenance-
free operation, and suitability for long-term use.
• Explosion-Proof Safety Certification:Complies with international standards such as ATEX and
IECEx, making it suitable for hazardous areas.






